産品展示_沈陽襄阳频升塑料制造有限责任公司(急速版)提供電動球閥,電動蝶閥,氣動球閥,氣動蝶閥,閘閥,截止閥,止回閥,安全閥,調節閥,高壓球閥,電動調節閥,減壓閥,針型閥,疏水閥,通風煙氣閥門等多種閥門選擇緻力于滿足遼甯,吉林,黑龍江,内蒙,等區域的閥門需求,。
总 公 司急 速 版(ban)WAP 站H5 版无线端AI 智(zhi)能3G 站4G 站5G 站6G 站
 
·

全國統(tong)一服務熱線:18524426278

留(liu)言反饋 聯系我們

站内公告:

本(ben)公司專業生産(chan)電動閥門,氣動(dong)閥門,電動蝶閥(fa),氣動蝶閥,電動(dong)球閥,氣動球閥(fa),電動閘閥,非标(biao)閥門
産品(pin)展示

> 當前位置(zhì):首頁-産品展示(shi)-蝶閥

中線對夾(jiá)式蝶閥 D371X

2025-12-18 點擊量(liàng):4936

中線對夾式蝶(dié)閥 D371X

【産(chan)品用途】

D71X、D371X、D671X、D971X型中線對夾(jia)式蝶閥公稱壓(yā)力≤1.6MPa的食品、制藥(yao)、化工、石油、電力(li)、輕🤟紡、造紙等給(gěi)排水、氣體管道(dao)上作調節流🎯量(liang)和截流介質的(de)作用。

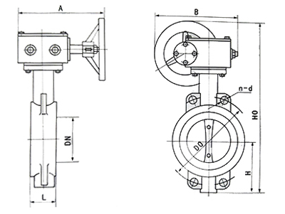
【結構示意圖】

中線對(dui)夾式蝶閥結構(gòu)示意圖

【閥門型号】

常見的(de)中線對夾式蝶(dié)閥型号有:d71x、d371x-10、d371x-16、d371x-25、d371f-10、d371f-16、d671x-6、d671x-10、d671x-16、d671f-10、d671f-16、d971x-6、d971x-10、d971x-16、d971f-10、d971f-16等。

【産品特(te)點】

1、結(jié)構簡單緊湊、小(xiao)型輕便,容易拆(chāi)裝及維修,并可(ke)在任意位置💜安(ān)裝。

2、90°回(huí)轉,啟閉迅速。

3、由扭矩(jǔ)産生彈性密封(fēng),密封可靠。

4、選擇不同(tong)零部件材質,可(ke)适用于多種介(jie)質。

【執(zhi)行标準】

設計規範: GB/T 12238

結構長(zhang)度: GB/T 12221

法(fa)蘭連接: GB/T 9113

試驗與檢驗(yan):GB/T 13927

【性能(neng)參數】

工作壓力(lì)(MPa)1.0~1.6 (PN10-PN16)
适用溫度(℃)≤180℃
适用(yong)介質空氣、水、蒸(zheng)氣、煤氣、油品等(deng)
材料閥體鑄鐵(tie) 球鐵 碳鋼 不鏽(xiu)鋼 鋁合金
蝶闆(pǎn)球鐵 碳鋼 不鏽(xiù)鋼 鋁合金
鑄鐵(tiě)2Cr13 F304 F316
閥杆橡膠 NBR EPDM PTFE
密封(fēng)面填料柔性石(shi)墨 PTFE

【外(wai)形尺寸】

DNLHH0AB
504363306180200
654670321180200
804683346180200
10052105387180200
12556115411180200
15056137447270280
20060164572270280
25068206646270280
30078230738380420
35078248761380420
400102289877450470
450114320938480490
500127343993480490
6501544131131480490
7001654781476640660
8001905251533640660
9002035851655750860
10002166401765850900
12002547551995850900

聲明:本文中所有(you)文字、數據、圖片(piàn)均隻适用于參(cān)考,性能參🐪數🍉、結(jie)構尺寸參數、中(zhong)線對夾式蝶閥(fa)價格等詳情


总 公 司急(jí) 速 版WAP 站H5 版无线(xiàn)端AI 智能3G 站4G 站5G 站(zhan)6G 站
·
·